HMIR640PL, high-sensitivity mid-infrared area camera Products
HMIR640PL
This is a high-sensitivity mid-infrared area camera equipped with a cooled InSb sensor.
Compared to previous models, the frame rate is faster at up to 240 fps and the size is more compact.

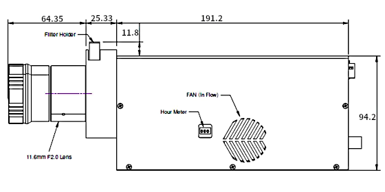
Camera appearance
Feature
- Area pixel number: 640x512 pixel
- Pixel pitch: 15μm
- Sensitivity wavelength: 1.5~5.4μm
- Maximum frame rate:240fps
Applications
- Resin material identification
- Gus detection
- High temperature measurement
Camera specifications
| Item | Specifications |
|---|---|
| Sensor | InSb array sensor (Quantum cold shielding: F/4 or F/2.24) |
| Area pixel number | 640×512 pixel |
| Pixel pitch | 15um/pixel (photosensitive area: 9.6mm×7.68mm) |
| Sensitivity wavelength | 1.5~5.4um |
| Frame rate / Digital output | 240 frames/sec, 13bit |
| Detector NETD | 20 mK or less |
| Cooling system | Stirling Cooler (K508N MTTF> 17,000 hours (*1) |
| Image output interface | SDI or Gig E Vision output (Gigabit Ethernet), Camera Link |
| Control interface | Serial communication or virtual serial command control via Pleora ebus SDK |
| Power | Voltage:DC 24V |
| Operating temperature | -30~+50°C(non-condensing) |
| Storage temperature | -30~+50°C(non-condensing) |
| Dimensions | W71mm× H90mm× D281mm (design value including lens) |
(*1)MTTF is a mean time to failure and does not guarantee operating life. We recommend replacing the cooler on a regular basis.
Example

Gas detection

Water droplet photography at high FPS
External drawing







